World-wide environmental pollution and energy shortages have forced people to work harder to find and develop new energy sources. In finding and developing new energy sources in the process, it is very natural sights on a variety of renewable alternative energy sources. Wind energy, nuclear power, hydropower, solar energy, etc., photovoltaic power generation is one of them. While the practical application of photovoltaic power generation there are all kinds of limitations, but as the cost of photovoltaic power generation and fossil power generation to reduce the cost of improvements and reduction in fossil energy, one day the cost of photovoltaic power generation cost of electricity will be fairly traditional.
1.The basic principle of photovoltaic power generation
Monocrystalline silicon solar battery mainly used as material. Made with silicon diodes similar to the PN junction. Similar working principle and diode. Only in the diode, the promotion of PN junction hole and the 1 electronic movement in an external electric field, and in the solar cell PN junction to promote and influence of the hole and the electronic movement of the sun and light photon radiation heat (*). Also known as the photovoltaic effect theory. Current photoelectric conversion efficiency, that is, the efficiency of photovoltaic cells was about 13% -15% silicon, polycrystalline silicon 11% -13%. At present the latest technology including photovoltaic thin-film batteries.
2.The classification of solar photovoltaic power generation system
Solar photovoltaic power generation system of classification: At present solar photovoltaic power generation system can be divided into three categories, off-grid photovoltaic power-storage systems, grid-connected PV systems, and the first two hybrid systems. Off-grid photovoltaic power storage system, which is a common application of solar energy. Has been applied at home and abroad for several years. The system is relatively simple, and wide adaptability. Because of a series of types of batteries and the maintenance of the volume is too large and limited the scope of use.
3. The composition of solar photovoltaic systems
①. Solar photovoltaic cells (solar substrate): to achieve photoelectric conversion
②. Battery: battery is a key component in the photovoltaic power generation system, used to store electricity from the conversion of photovoltaic cells. At present, China has not used for photovoltaic systems dedicated battery, but the use of conventional lead-acid batteries.
③. DC inverter: its function is to achieve DC to AC conversion, so the most important indicator of this component is the reliability and conversion efficiency. AC power converted by AC inverter to maximize the conversion of photovoltaic cells into the power grid or directly to the use of electricity equipment
4. The introduction of photovoltaic water pump system
Photovoltaic system diagram
PV water pump system is a typical light, machine, electrical integration system, which uses solar cells to convert solar energy directly into electrical energy, and then converted into alternating current through the inverter link, drive AC induction motor drive pump, from the deep well, river, Lake, pond and other water sources to use. The system extensive desert management, residential life, agricultural irrigation, greening watering, grassland animal husbandry, scenic fountain, water treatment works. PV water pump system has the following characteristics:
①. PV water pump system is fully automatic operation, without manual duty, the system consists of photovoltaic cells (solar substrate), battery (according to customer demand), photovoltaic inverter, water pump, water storage device and other components.
②. The use of photovoltaic pump dedicated inverter, according to changes in the intensity of sunlight to adjust the pump speed, the output power close to the maximum power of the solar array; when the sun is sufficient to ensure that the pump speed does not exceed the rated speed; when the sunshine, Set whether the minimum operating frequency is met, otherwise it will stop running automatically.
③. The pump is driven by a three-phase AC motor, pumped from the deep well, injected into the tank / pool, or directly connected to the irrigation system. According to the actual system requirements and installation conditions, different types of pumps can be used to work.
④. Can provide cost-effective solutions based on regional and customer needs.
5.PI9000-S series inverter characteristics and application
①. PI9000-S series inverter features
PI9000-S series inverter is based on the characteristics of photovoltaic inverter, after repeated field trials developed a new series of products, at present, has been widely used in Asia, Africa, South America equatorial annex dozens of A country and region, its excellent performance and stable and reliable operation by the customer's praise. The product features are as follows:
(1) built-in high-precision photovoltaic array maximum power point tracking MPPT system, intelligent tracking maximum power point, fast response, high stability, high efficiency.
(2) dry running state detection, processing
(3) reservoir water level control
(4) lack of sunshine, combined with peripheral devices can be achieved with the city automatically switch to ensure system reliability;
(5) wide voltage to adapt to the scope of better adapt to outdoor environment;
(6) LED display real-time system status and parameters, based on RS485 real-time remote monitoring system
(7) quick installation design, no additional maintenance;
(8) built-in all-round protection and diagnostic mechanism.
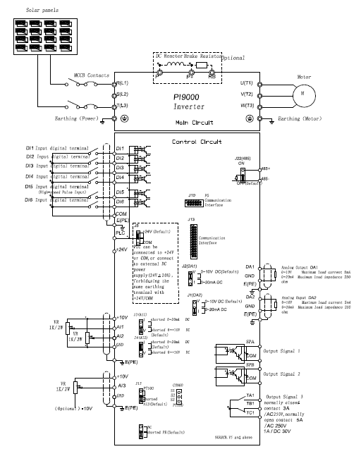
②. PI9000-S series inverter wiring diagram and solar substrate matching

Main circuit wiring diagram

PI9000-S 7.5kW and below PV inverter dedicated inverter wiring diagram

Solar substrate matching
③. PI9000-S series inverter applications overseas

Egypt dry and drier, dry climate, more than one-third of the professional population engaged in agriculture. The country's arable land is 3.1 million hectares, accounting for 3.7% of the total land area, the vast majority of irrigated land, Africa is the highest yield per unit area of the country. Agriculture plays an important role in the Egyptian national economy, but Egypt faces severe irrigation water shortages, such as uneven rainfall distribution, drought recurrence, and irrigation and diesel resources are particularly scarce. But the unique geographical conditions to give Egypt a wealth of solar energy resources, with the cost of photovoltaic components to reduce the Egyptian agricultural PV irrigation trend is obvious, the use of solar energy clean energy is further accelerated.
Pudong Science and Technology of the PI9000-S series of photovoltaic pumps dedicated inverter introduced soon after the local application has been stable and reliable work, access to customer appreciation, the use of a year later, for the user to save 60% of the cost.
6. the advantages of photovoltaic power generation
①. Full cleanliness. (If the use of battery solutions, to consider the disposal of waste batteries)
②. Absolute security.
③. The relative generality.
④. True long life and maintenance-free.
⑤. Adequacy of resources and potential economy.
7. photovoltaic power generation shortcomings
①. Time cycle limitation.
②. Geographical location limitations.
③. Meteorological conditions are limited.
④. Capacity transfer limitations.
⑤. Light energy conversion efficiency is low.
8. the impact of photovoltaic pump system work several factors
①. The voltage and capacity of the photovoltaic cell
②The intensity of light
③. Cleanliness of the surface of a photovoltaic cell (solar substrate)
④. Ambient temperature
9. summary
PV water pump system using the sun's long-term energy, sunrise and for the day, without personnel care, no fossil energy, independent operation, but also according to the needs of the grid with the use of safe and reliable. In the case without any external energy can be flexible and flexible application in farmland irrigation, drinking water, garden development, park landscaping, tectonic color fountain, aquaculture industry oxygen, water and salt water supply and drainage, etc., to effectively solve the problem of cultivated land irrigation, Water energy, significantly reduce the traditional energy, power input. With long life, low power consumption, low noise, speed balance, stable operation, no interference and so on.
Therefore, the PV pump system has become the most effective way to replace fossil fuels with clean energy and become a new energy and new technology important product in the global "food problem" and "energy problem" comprehensive solution.