一、前言
在我國(guo)石油(you)(you)(you)(you)(you)開(kai)(kai)采(cai)(cai)中,稠油(you)(you)(you)(you)(you)井(jing)的(de)(de)(de)(de)比(bi)例占相當大一部(bu)分,這類井(jing)原(yuan)(yuan)油(you)(you)(you)(you)(you)粘(zhan)度(du)高(gao)、 凝固(gu)點高(gao)、密(mi)度(du)大、含(han)蠟量高(gao),難(nan)(nan)以(yi)開(kai)(kai)采(cai)(cai)。目(mu)前國(guo)內外開(kai)(kai)采(cai)(cai)這類油(you)(you)(you)(you)(you)井(jing)的(de)(de)(de)(de)最(zui)廣(guang)泛,效(xiao)果最(zui)好 的(de)(de)(de)(de)采(cai)(cai)油(you)(you)(you)(you)(you)工藝(yi)(yi)技(ji)(ji)術(shu)是(shi)稠油(you)(you)(you)(you)(you)熱采(cai)(cai)。采(cai)(cai)用空心桿電加(jia)(jia)熱工藝(yi)(yi)技(ji)(ji)術(shu),對油(you)(you)(you)(you)(you)管(guan)內的(de)(de)(de)(de)原(yuan)(yuan)油(you)(you)(you)(you)(you)進行全程加(jia)(jia)熱,以(yi)降低(di)原(yuan)(yuan)油(you)(you)(you)(you)(you)粘(zhan)度(du),防止油(you)(you)(you)(you)(you)管(guan)內結蠟,提高(gao)原(yuan)(yuan)油(you)(you)(you)(you)(you)流(liu)動(dong)性(xing)。有效(xiao)的(de)(de)(de)(de)解(jie)決高(gao)凝、高(gao)粘(zhan)、高(gao)含(han)蠟原(yuan)(yuan)油(you)(you)(you)(you)(you)開(kai)(kai)采(cai)(cai)過程中遇到(dao)的(de)(de)(de)(de)各種技(ji)(ji)術(shu)難(nan)(nan)題(ti),達(da)到(dao)油(you)(you)(you)(you)(you)井(jing)增(zeng)產、增(zeng)效(xiao)的(de)(de)(de)(de)目(mu)的(de)(de)(de)(de)。
以(yi)前的(de)空(kong)心桿(gan)加(jia)熱(re)技術(shu),采用工(gong)頻(pin)(pin)加(jia)熱(re),因負載為單(dan)相(xiang),需要有(you)一(yi)(yi)個獨立的(de) 變(bian)壓器,將(jiang)三相(xiang)輸(shu)入變(bian)為單(dan)相(xiang)輸(shu)出,造成三相(xiang)電(dian)網的(de)不平衡,功(gong)率因數(shu)低,電(dian)能(neng)消耗(hao)大(da), 對電(dian)網的(de)污染(ran)大(da),加(jia)熱(re)效(xiao)(xiao)果(guo)不明顯,造成電(dian)能(neng)的(de)極(ji)大(da)浪(lang)費。因此(ci),需要探討一(yi)(yi)種(zhong)先進的(de) 加(jia)熱(re)方(fang)式,以(yi)提(ti)(ti)高功(gong)效(xiao)(xiao),增強(qiang)加(jia)熱(re)效(xiao)(xiao)果(guo)。經(jing)過(guo)多方(fang)試(shi)驗,采用現(xian)(xian)已掌(zhang)握(wo)的(de)較成熟的(de)變(bian)頻(pin)(pin) 技術(shu),為該(gai)加(jia)熱(re)裝置提(ti)(ti)供一(yi)(yi)種(zhong)新的(de)變(bian)頻(pin)(pin)電(dian)源(yuan)—PI7800MF 系列(lie)中頻(pin)(pin)加(jia)熱(re)電(dian)源(yuan)。該(gai)設備可(ke)(ke) 提(ti)(ti)供 260——1500Hz 的(de)頻(pin)(pin)率,實現(xian)(xian)了輸(shu)出電(dian)壓、電(dian)流(liu)(liu)的(de)連續可(ke)(ke)調,以(yi)達(da)到(dao)輸(shu)出功(gong)率連續 可(ke)(ke)調的(de)目的(de),由于中頻(pin)(pin)電(dian)源(yuan)渦流(liu)(liu)感應加(jia)強(qiang),導致集膚效(xiao)(xiao)應更(geng)強(qiang),漏(lou)磁減(jian)少, 因此(ci)電(dian)加(jia)熱(re)效(xiao)(xiao)果(guo)大(da)大(da)好(hao)于工(gong)頻(pin)(pin)電(dian)源(yuan),節能(neng)效(xiao)(xiao)果(guo)達(da)到(dao) 20%以(yi)上,大(da)大(da)地降低了采油生產能(neng)源(yuan)的(de)消耗(hao)。
二、空心(xin)桿(gan)電加熱裝置工作原理(li)如(ru)下(xia)圖所示:

該裝置是將空心抽(chou)(chou)油(you)(you)桿(gan)內穿過電纜并與抽(chou)(chou)油(you)(you)桿(gan)桿(gan)體形成回路,通(tong)以工頻(pin)交流電,利用(yong)內集(ji)膚效(xiao)(xiao)應(ying)原(yuan)理在空心抽(chou)(chou)油(you)(you)桿(gan)壁上(shang)產生(sheng)熱(re)能,對油(you)(you)管(guan)內原(yuan)油(you)(you)進行全程加熱(re),提高油(you)(you)管(guan)內原(yuan)油(you)(you)溫度,降低原(yuan)油(you)(you)粘度,改善其流動性(xing),防(fang)止油(you)(you)管(guan)內原(yuan)油(you)(you)結蠟(la)(la),從而有效(xiao)(xiao)地開(kai)采高凝、高粘、高含蠟(la)(la)原(yuan)油(you)(you)。
集(ji)膚(fu)效應原理如下圖所示:
空(kong)(kong)心抽油(you)(you)桿電(dian)(dian)(dian)加(jia)熱裝(zhuang)置(zhi)在空(kong)(kong)心抽油(you)(you)桿內下入加(jia)熱電(dian)(dian)(dian)纜(lan),使空(kong)(kong)心抽油(you)(you)桿和(he)加(jia)熱電(dian)(dian)(dian)纜(lan)組成通電(dian)(dian)(dian)回(hui)路,利用(yong)集膚效應(ying)(ying)加(jia)熱原理使原油(you)(you)在井(jing)筒(tong)內得(de)到(dao)加(jia)熱,從(cong)而起到(dao)降粘、清蠟(la)作用(yong)。集膚效應(ying)(ying),又叫趨膚效應(ying)(ying),是當(dang)交變電(dian)(dian)(dian)流通過導(dao)體(ti)時,電(dian)(dian)(dian)流會(hui)聚集于(yu)導(dao)體(ti)表層,而非平均分布于(yu)整個導(dao)體(ti)的截(jie)面(mian)中(zhong),電(dian)(dian)(dian)流集中(zhong)在導(dao)體(ti)表面(mian)流過,這(zhe)種現象叫集膚效應(ying)(ying)。
當鋼管中穿(chuan)過電(dian)(dian)(dian)纜形成(cheng)回路并通過交(jiao)流(liu)電(dian)(dian)(dian)流(liu)時,鋼管截面中電(dian)(dian)(dian)流(liu)主要集(ji)中在鋼管內表面,此現象稱(cheng)為(wei)內集(ji)膚效(xiao)應,而(er)鋼管的(de)外表面幾乎(hu)沒有電(dian)(dian)(dian)流(liu)通過,空心桿(gan)外壁可視為(wei)絕緣體(ti)(ti),這種現象不(bu)僅(jin)隨著(zhu)頻率(lv)(lv)的(de)增高而(er)明(ming)顯(xian)加強,而(er)且還隨著(zhu)導體(ti)(ti)半(ban)徑、磁(ci)導率(lv)(lv)和電(dian)(dian)(dian)導率(lv)(lv)的(de)增高而(er)表現的(de)更加顯(xian)著(zhu)。電(dian)(dian)(dian)加熱抽(chou)油桿(gan)就是利用內集(ji)膚效(xiao)應工作的(de),由于(yu)空心抽(chou)油桿(gan)的(de)交(jiao)流(liu)阻(zu)抗遠大于(yu)導線的(de)電(dian)(dian)(dian)阻(zu),空心抽(chou)油桿(gan)為(wei)主要發(fa)熱體(ti)(ti)。
三、PI7800MF系(xi)列(lie)中頻電(dian)源工作原理(li)如下圖所(suo)示(shi):
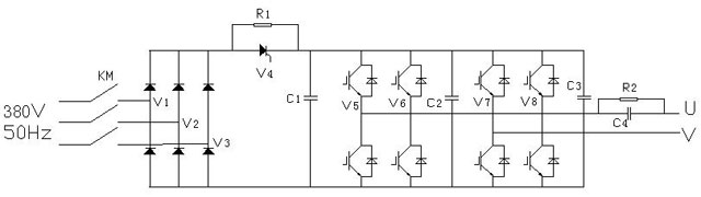
主(zhu)電路圖如下圖所示:

中(zhong)頻加(jia)熱電(dian)(dian)(dian)(dian)源主電(dian)(dian)(dian)(dian)路(lu)為 AC-DC-AC 變(bian)頻結構,由整(zheng)流電(dian)(dian)(dian)(dian)路(lu)、濾波(bo)、逆(ni)(ni)變(bian)電(dian)(dian)(dian)(dian) 路(lu)和(he)保護電(dian)(dian)(dian)(dian)路(lu)組成。其工作(zuo)原理是(shi)將三(san)相(xiang)(xiang)50Hz 工頻交流電(dian)(dian)(dian)(dian)經過(guo)三(san)相(xiang)(xiang)全控整(zheng)流橋整(zheng)流成 電(dian)(dian)(dian)(dian)壓可調的(de)脈動(dong)直(zhi)流,再通過(guo)電(dian)(dian)(dian)(dian)容(rong)將脈動(dong)的(de)直(zhi)流電(dian)(dian)(dian)(dian)濾波(bo)變(bian)成光滑平穩的(de)直(zhi)流電(dian)(dian)(dian)(dian)送到單(dan)(dan)相(xiang)(xiang) 逆(ni)(ni)變(bian)橋,最后通過(guo)逆(ni)(ni)變(bian)橋將直(zhi)流電(dian)(dian)(dian)(dian)變(bian)成單(dan)(dan)相(xiang)(xiang)頻率(lv)可調的(de)中(zhong)頻交流電(dian)(dian)(dian)(dian)供給負載。
四、產品性能特點(dian)
1、采用 32 位美國(guo)德州儀器 TI 公司專用控制(zhi)芯片 DSP,控制(zhi)系統性能增(zeng)強,電 路簡化,負(fu)載(zai)適應性強。實(shi)現電源控制(zhi)的(de)全(quan)數字化,智(zhi)能化。
2、采用先進的大功率(lv)(lv)絕緣柵雙極性晶體(ti)管(IGBT)作為功率(lv)(lv)開關器件,逆(ni)變 頻(pin)率(lv)(lv)可(ke)調。
3、具有相序(xu)(xu)自適應功能,無需鑒別進線(xian)相序(xu)(xu)。 ? 輸出(chu)可進行恒功率(lv)、恒電壓、恒電流控制。
4、采用零壓軟啟動(dong),啟動(dong)成功(gong)率高無沖(chong)擊。完全能夠滿足(zu)廣大熱加(jia)工行(xing)業用戶 的需求。
5、采(cai)(cai)用掃描(miao)式(shi)零壓啟動方式(shi)和(he)自動重(zhong)復啟動 電(dian)路,啟動成功(gong)率可(ke)達 100%。采(cai)(cai)用中頻(pin)電(dian)壓作為(wei) 取(qu)樣信(xin)號(hao),無中頻(pin)電(dian)流互感器,輸出部分和(he)負載的(de) 連接不需區(qu)分極性。
6、人機(ji)對話的顯(xian)(xian)(xian)示(shi)界面,可通過鍵盤的選擇顯(xian)(xian)(xian)示(shi)工作頻率及電流,輸出脈沖的占(zhan) 空比、電流變(bian)比等,并(bing)可顯(xian)(xian)(xian)示(shi)故(gu)障狀態及原因,使(shi)顯(xian)(xian)(xian)示(shi)更直觀(guan),更易于操作。顯(xian)(xian)(xian)示(shi)與主 控板(ban)共(gong)用(yong)一(yi)個(ge)線路板(ban),排列更緊湊(cou),避(bi)免(mian)了信號傳輸過程中的干擾,工作更穩(wen)定。
7、控制(zhi)電路采用電壓、電流雙閉環系統,并 設有阻(zu)抗調節(jie)器,逆變(bian)角調節(jie)器,使電源(yuan)的運行更 加穩(wen)定可靠(kao)。
8、輸(shu)出(chu)電(dian)壓(ya)(ya)、電(dian)流連(lian)續可調,可以(yi)使加(jia)熱系(xi)統(tong)處于(yu)(yu)最佳(jia)工(gong)作(zuo)狀態,能源利用(yong) 率高,節能效果明顯恒輸(shu)出(chu)電(dian)壓(ya)(ya)/恒輸(shu)出(chu)功率控制選擇功能。 ?輸(shu)出(chu)部分采用(yong)環(huan)形中頻(pin)變壓(ya)(ya)器,用(yong)于(yu)(yu)隔(ge)離(li)輸(shu)入(ru)、輸(shu)出(chu)電(dian)壓(ya)(ya),同時經電(dian)容組與控 制柜輸(shu)出(chu)相連(lian)接,起到隔(ge)直作(zuo)用(yong),防止由于(yu)(yu)直流偏磁(ci)或(huo)過勵磁(ci)產生的磁(ci)飽和,同時可起 到串聯諧振的作(zuo)用(yong)。 中頻(pin)變壓(ya)(ya)器為非晶鈦(tai)材料,導磁(ci)率高,工(gong)作(zuo)頻(pin)率高,自
身能(neng)量損耗(hao)極低(di),整機效率(lv)(lv) 提(ti)(ti)高。若(ruo)頻率(lv)(lv)再提(ti)(ti)高,其體積可做得更(geng)小(xiao),工作效率(lv)(lv)更(geng)高。
9、保護功(gong)能(neng)齊全。設置了過流、短(duan)路、機內溫升過高及過、欠壓保護,功(gong)能(neng)更齊全,工作更可(ke)靠,避免了由(you)于各種不正(zheng)常因素(su)而造成(cheng)的損壞。
10、 高效節能,全功(gong)率(lv)范圍內,極高的功(gong)率(lv)因數和電源效率(lv)
五、應用效果
產(chan)品(pin)面市以來,普傳科技(ji)在(zai)勝利油(you)田、遼河(he)油(you)田、青海油(you)田等幾(ji)個稠(chou)油(you)井(jing)分(fen)布的區(qu)域內成功(gong) 運用了(le)中頻加熱電源(yuan)技(ji)術。通(tong)過 現場調整,結合加熱電纜及功(gong)率 ,一(yi)(yi)般(ban)將頻率調至(zhi) 400Hz-1000Hz 左(zuo)右(you),比工頻提高了(le) 10 幾(ji)倍(bei),根據功(gong)率調整電流(liu),一(yi)(yi)般(ban) 75kW 的電源(yuan)輸出(chu)電 流(liu)在(zai) 80A 左(zuo)右(you),93kW 的電源(yuan)在(zai) 100A 左(zuo)右(you),通(tong)過中頻變壓(ya)器,輸出(chu)電壓(ya) 800V 左(zuo)右(you)(串(chuan) 聯輸出(chu)電壓(ya): 600V、800V、1000V、1200V),其(qi)加熱效果十(shi)分(fen)明顯。

較(jiao)之工(gong)頻(pin)加熱:
1、功率因數(shu)明顯提高,原工(gong)頻加熱,功率因數(shu)約在 0.7 左右,而(er)用變頻加熱,經 測試都在 0.95 以上。
2、減(jian)少了對電網(wang)(wang)的污(wu)染(ran)。原工頻加(jia)熱,需三(san)相變(bian)二相,造成變(bian)壓(ya)器輸(shu)入三(san)相電壓(ya) 嚴重(zhong)不平衡,對電網(wang)(wang)污(wu)染(ran)嚴重(zhong)。應(ying)用變(bian)頻器以后,功(gong)率因數提高,諧(xie)波含量明(ming)顯減(jian)少, 減(jian)輕(qing)了對電網(wang)(wang)的污(wu)染(ran)。
3、加熱效(xiao)果(guo)明顯 。根據(ju)集(ji)膚效(xiao)應,頻(pin)率提高后,負載所獲得(de)的能量(liang)提高,線路損 耗也(ye)相應減少從而(er)提高了加熱效(xiao)果(guo)。據(ju)測(ce)試(shi),變頻(pin)加熱可(ke)比工(gong)頻(pin)加熱提前 1—2 小(xiao)時(shi)達 到(dao)預(yu)定效(xiao)果(guo),而(er)且(qie)溫度(du)也(ye)要高。
4、保(bao)護功能(neng)齊全。 原(yuan)工頻(pin)柜因無單片機(ji)控制,其(qi)保(bao)護功能(neng)差,往(wang)往(wang)由(you)于負載的(de)(de)短 路(lu)、斷路(lu)及電(dian)壓的(de)(de)不穩(wen)(wen)定(ding),造(zao)成(cheng)變壓器(qi)燒毀(hui)、工作(zuo)不穩(wen)(wen)定(ding)。而變頻(pin)電(dian)源柜由(you)于 DSP 的(de)(de)控 制,其(qi)保(bao)護功能(neng)齊全,避免了(le)由(you)于電(dian)網及負載的(de)(de)故障引起的(de)(de)問題,保(bao)證系統的(de)(de)穩(wen)(wen)定(ding)運行。
5、節能效(xiao)果明(ming)顯(xian)。據測試,每臺(tai)變頻電(dian)源(yuan)柜比相(xiang)應的工頻柜節電(dian)都在 20%左右,有(you) 力的節約(yue)了電(dian)能,提高(gao)了工作效(xiao)率,保證(zheng)了加熱(re)系統的效(xiao)果。 總之,變頻加熱(re)是稠油熱(re)采的一(yi)次革命。我國的稠油資源(yuan)相(xiang)當豐(feng)富,推廣該技術, 是采油行業節能減排和提高(gao)效(xiao)率的有(you)效(xiao)途徑。
六、頻率(lv)與加(jia)熱效果(guo)的關系
鋼(gang)管(guan)(guan)在交流電下(xia)的(de)阻(zu)抗顯著大于(yu)它的(de)直流電阻(zu)。因(yin)為鋼(gang)管(guan)(guan)是(shi)鐵(tie)磁質材料,它的(de)磁導率(lv)(lv)要(yao)比銅高1000倍。集(ji)膚效應的(de)強弱可以用集(ji)膚電流透入鋼(gang)管(guan)(guan)的(de)深度S來(lai)表示。它與導體的(de)電阻(zu)率(lv)(lv)ρ,相對磁導率(lv)(lv)μ,交流頻率(lv)(lv)f有如(ru)下(xia)關系

從式(shi)中可以看出,導體材(cai)料確定后,電阻率ρ和相對磁導率μ就是一個常(chang)數,保持不變,要增強集(ji)膚效(xiao)應,就必需提高(gao)交流(liu)電的頻(pin)率f,f越高(gao)則S越小,則集(ji)膚效(xiao)應就越強。
同樣,鋼管阻抗Z的大(da)小(xiao)與頻率f的關系為:
將電源、電源內阻和(he)負載鋼管看成一個等效電路。

隨著(zhu)電(dian)流頻率的升(sheng)高,空心抽(chou)油(you)桿(gan)阻(zu)抗Z也隨之增大(da),當Z遠遠大(da)于r時,PZ的大(da)小(xiao)近似于P。根據能量守恒的原理,在相同輸入功率下,電(dian)源(yuan)頻率越(yue)高,集(ji)膚效應越(yue)強烈,則空心抽(chou)油(you)桿(gan)阻(zu)抗也越(yue)大(da),其獲得的有效電(dian)功率越(yue)就越(yue)大(da),使電(dian)源(yuan)自(zi)損降低(di)到(dao)最(zui)低(di)限度,從而節約了(le)大(da)量的電(dian)能,并獲得了(le)良好的加熱效果。
七、參數設定
F03=1 F04=0 F05=1 F08=32 F09=40 F10=40 F12=90 F13=1500 F17=1500 F27=1 F28=50 F29=50 F43=1 F61=8 F63=4 P02=2 Y12=1
八(ba)、結束(shu)語
空心桿電(dian)加(jia)(jia)(jia)熱(re)(re)(re)(re)裝(zhuang)置中(zhong),電(dian)熱(re)(re)(re)(re)桿產(chan)生的(de)(de)(de)熱(re)(re)(re)(re)量(liang)并不(bu)是(shi)一(yi)成不(bu)變的(de)(de)(de),越(yue)(yue)(yue)靠近地面,單位長(chang)度產(chan)生的(de)(de)(de)熱(re)(re)(re)(re)量(liang)越(yue)(yue)(yue)多,越(yue)(yue)(yue)向下單位長(chang)度產(chan)生的(de)(de)(de)熱(re)(re)(re)(re)量(liang)越(yue)(yue)(yue)少(shao)。原(yuan)(yuan)油(you)在提升的(de)(de)(de)過(guo)程(cheng)中(zhong),地層(ceng)溫度逐漸降低(di),利用(yong)電(dian)熱(re)(re)(re)(re)桿加(jia)(jia)(jia)熱(re)(re)(re)(re)功率和地層(ceng)溫度的(de)(de)(de)變化機(ji)理,可以用(yong)較小(xiao)的(de)(de)(de)功率使井筒內原(yuan)(yuan)油(you)保持一(yi)定的(de)(de)(de)溫度。由于電(dian)源頻(pin)率越(yue)(yue)(yue)高,寄生電(dian)容(rong)截取的(de)(de)(de)電(dian)流(liu)越(yue)(yue)(yue)大,所以在相(xiang)同的(de)(de)(de)井況條(tiao)件下,中(zhong)頻(pin)電(dian)加(jia)(jia)(jia)熱(re)(re)(re)(re)裝(zhuang)置采用(yong)較小(xiao)的(de)(de)(de)加(jia)(jia)(jia)熱(re)(re)(re)(re)功率就會取得良好的(de)(de)(de)加(jia)(jia)(jia)熱(re)(re)(re)(re)效(xiao)果(guo),試驗(yan)結果(guo)表明,中(zhong)頻(pin)加(jia)(jia)(jia)熱(re)(re)(re)(re)與(yu)工(gong)頻(pin)加(jia)(jia)(jia)熱(re)(re)(re)(re)對比,在井口原(yuan)(yuan)油(you)溫度相(xiang)同的(de)(de)(de)情況下,加(jia)(jia)(jia)熱(re)(re)(re)(re)功率平均低(di)10~20KW,節(jie)電(dian)率在15%以上。