一、原(yuan)(yuan)系統工作(zuo)原(yuan)(yuan)理:原(yuan)(yuan)系統采用(yong)星三角啟動(dong),電(dian)機達到全速運行,原(yuan)(yuan)有壓力調(diao)節(jie)系統為(wei)人(ren)(ren)工手動(dong)調(diao)節(jie)。但為(wei)保證兩臺出(chu)冷內維(wei)持(chi)一定的(de)正壓力相(xiang)同,需要在初冷卻(que)的(de)出(chu)口處設置手動(dong)閥門用(yong)人(ren)(ren)工調(diao)節(jie)。
二、變(bian)(bian)頻(pin)解決方(fang)案(an):通過原(yuan)有煤(mei)(mei)氣(qi)(qi)鼓風機加裝(zhuang)變(bian)(bian)頻(pin)調(diao)速(su)裝(zhuang)置(zhi)和(he)PLC控(kong)(kong)制系統,并且將初冷(leng)器(qi)(qi)前吸力(li)信號(hao)送至(zhi)PLC,作(zuo)為初泠器(qi)(qi)前煤(mei)(mei)氣(qi)(qi)壓力(li)閉環控(kong)(kong)制的(de)反(fan)饋值(給(gei)(gei)定(ding)(ding)(ding)值根據實際工況設定(ding)(ding)(ding))。通過PLC對初冷(leng)器(qi)(qi)前煤(mei)(mei)氣(qi)(qi)壓力(li)信號(hao)變(bian)(bian)換和(he)處理,為變(bian)(bian)頻(pin)器(qi)(qi)提(ti)供(gong)頻(pin)率(lv)(lv)(lv)給(gei)(gei)定(ding)(ding)(ding),實現頻(pin)率(lv)(lv)(lv)的(de)自動調(diao)整,也(ye)就是說對鼓風機電機的(de)轉(zhuan)速(su)進(jin)行控(kong)(kong)制,以(yi)達到根據負荷變(bian)(bian)化而調(diao)整輸出功率(lv)(lv)(lv)、穩定(ding)(ding)(ding)初冷(leng)器(qi)(qi)前煤(mei)(mei)氣(qi)(qi)壓力(li)(或(huo)通過手動調(diao)節:外接(jie)電位(wei)器(qi)(qi)調(diao)速(su)也(ye)能達到一樣的(de)效果)。
圖(一)生(sheng)產線
圖(二)負載機器:187KW

圖(三(san))電氣(qi)控制柜

圖(四)電(dian)腦自動控制(zhi)系統
圖(五)變頻器在現場
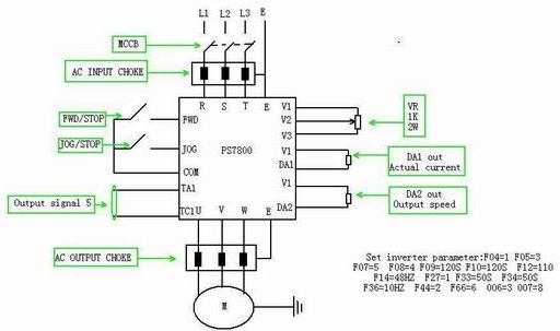
圖(tu)(六)變頻控(kong)制(zhi)原理圖(tu)

參(can)數設置如(ru)下:
頻率設定(ding)模式:F04=1
運行控(kong)制模式:F05=3
V/F提升方式:F08=31
加速時間:F09=120S
減速時間:F10=120S
停止方式設定:F27=1
轉速追蹤選擇:F44=2
MSS端(duan)子功能選(xuan)擇:F63=4(頻率(lv)設(she)定模式切換)
I輸入(ru)最小電流:004=4mA
輸出(chu)信號選擇(ze):017=8
其它參數都以出(chu)廠值為準。