一、簡介(jie)
繩鋸機(ji)是(shi)應用(yong)于建筑工程改造和加(jia)固施(shi)工的(de)(de)(de)(de)一(yi)種(zhong)特種(zhong)切割(ge)(ge)工具,適用(yong)于鋼筋混(hun)凝(ning)土(tu)、巖(yan)石、陶瓷、磚墻等(deng)堅硬(ying)材料(liao)的(de)(de)(de)(de)切割(ge)(ge)。與傳統鋸片相比,他不受建筑物大小限(xian)制,可任(ren)意方向(xiang)切割(ge)(ge),如橫(heng)切、豎向(xiang)、對角線方向(xiang)等(deng)等(deng),擺脫了施(shi)工震動、噪音、灰塵及其他環境問題,效率極高(gao)。繩鋸機(ji)按照(zhao)切割(ge)(ge)對象一(yi)般分為(wei)混(hun)凝(ning)土(tu)系(xi)、大理石系(xi)、花崗(gang)巖(yan)系(xi)、異性系(xi)等(deng)四個系(xi)列,主要起鋸切作用(yong),是(shi)鋸的(de)(de)(de)(de)一(yi)種(zhong)。因為(wei)繩鋸上面的(de)(de)(de)(de)串珠(zhu)里(li)面含有的(de)(de)(de)(de)金剛石是(shi)自然(ran)界中硬(ying)度(du)最(zui)高(gao)的(de)(de)(de)(de)物質(zhi),他能(neng)切削任(ren)何材料(liao)。
繩(sheng)(sheng)鋸機的(de)用(yong)(yong)途目前非常廣泛了(le)(le),大(da)部(bu)分的(de)大(da)理(li)石礦山均采(cai)用(yong)(yong)繩(sheng)(sheng)鋸機工藝(yi)進行開(kai)采(cai),這種開(kai)采(cai)方法與傳統的(de)爆(bao)炸(zha)法相比,具有了(le)(le)質(zhi)的(de)飛躍,不但保(bao)護了(le)(le)環(huan)境,而且對(dui)資源(yuan)的(de)利用(yong)(yong)達到了(le)(le)最大(da)限度的(de)節約。目前我國(guo)仍然有部(bu)分稀(xi)有石材(cai)采(cai)用(yong)(yong)爆(bao)炸(zha)法開(kai)采(cai),不但對(dui)環(huan)境造成了(le)(le)極大(da)影(ying)響,而且對(dui)珍(zhen)貴資源(yuan)是一種很大(da)的(de)浪(lang)費。
這種繩(sheng)鋸(ju)機通常采用彈簧固(gu)定,在(zai)水(shui)平或(huo)豎(shu)直方向鉆兩個垂直的孔將(jiang)繩(sheng)子(zi)穿(chuan)進(jin)去,然后用機械帶動進(jin)行切(qie)割(ge),可以根據實際需(xu)求來切(qie)割(ge)不同的大(da)小,代表了(le)礦山開采發展趨(qu)勢。
二、繩鋸機的(de)結構組成及系統工(gong)作(zuo)原理概述(shu)
1、結構組成:
繩(sheng)鋸機是一種石材(cai)(cai)礦山開采(cai)機械,用于開采(cai)花(hua)崗巖、大(da)理石等石材(cai)(cai)。繩(sheng)鋸機主要包(bao)括(kuo)主、移(yi)動(dong)電機、飛輪、導向(xiang)輪、繩鋸鏈(lian)條(金剛石(shi)材料制(zhi)作而成(cheng))、移(yi)動(dong)平(ping)臺、操作平(ping)臺等。
2、系(xi)統(tong)工作原(yuan)理(li):
繩鋸機(ji)是(shi)采用主電機(ji)帶動鋸繩沿近似(si)跑道型的軌(gui)跡運行(xing),鋸繩套在已經鑿(zao)開(kai)縫的石(shi)頭山上,移動電機(ji)經帶動(dong)(dong)整(zheng)個鋸床以一定的(de)速(su)度(du)沿石頭被鋸開的(de)方向(xiang)向(xiang)后移(yi)動(dong)(dong)。移(yi)動(dong)(dong)速(su)度(du)必須根據主(zhu)電機的(de)負荷狀況和(he)鋸繩(sheng)(sheng)所需(xu)的(de)張(zhang)緊力(li)適時進行調(diao)(diao)整(zheng),如(ru)果移(yi)動(dong)(dong)速(su)度(du)太快,主(zhu)電機負載增大(da),甚(shen)至過載,鋸繩(sheng)(sheng)承(cheng)受的(de)張(zhang)力(li)也會增大(da),如(ru)不及時調(diao)(diao)整(zheng)速(su)度(du)就會繃斷鋸繩(sheng)(sheng)。
反之如果移(yi)動(dong)速度太慢(man),鋸(ju)繩(sheng)張力太小,鋸(ju)繩(sheng)會(hui)在(zai)石頭上打滑,切割效率降低,并且松馳的鋸(ju)繩(sheng)還會(hui)打絞(jiao),以(yi)至絞(jiao)斷鋸(ju)繩(sheng)。所以(yi)在(zai)保證主電機負荷基本均(jun)勻和鋸(ju)繩(sheng)合適的張緊力下提高(gao)鋸(ju)機切割效率是控制的關鍵,由于礦山形狀(zhuang)的不規(gui)則性,橫切面(mian)自然也(ye)時大時小,鋸(ju)床移(yi)動(dong)速度必須相應調整,調整整個(ge)加工工藝(yi)。
三、PI500變頻器特點:

1. 采用了DSP為核心的控(kong)制(zhi)單元,實現高(gao)速高(gao)性能控(kong)制(zhi)
2. 三種速度控制方式(shi):V/F控制、無PG矢量控制、帶PG矢量控制
3. 支持異步(bu)電(dian)(dian)機和(he)永磁(ci)同步(bu)電(dian)(dian)機的(de)(de)矢(shi)量控(kong)制(zhi),準確(que)的(de)(de)電(dian)(dian)機參數自學習
4. 具有(you)靈活(huo)的(de)頻率源疊加方式,輔助頻率源可以相(xiang)對主頻率源或最大頻率調(diao)整。
5. 無(wu)感矢量下可以實現低頻(pin)0.5HZ/150%的轉矩輸出,低速大轉矩,轉矩脈動小(xiao)
6. 先進的熱管理、獨立風道設(she)計、適應40℃環境溫度 、可卸載式風扇,安裝維護方(fang)便
7. 三防漆(qi)涂(tu)層處理,適應各種惡(e)劣環(huan)境
8. 瞬時停電不停機
9. 內置自適應PID功能模塊
三、PI500變頻器應用方案:
1.電氣配置:
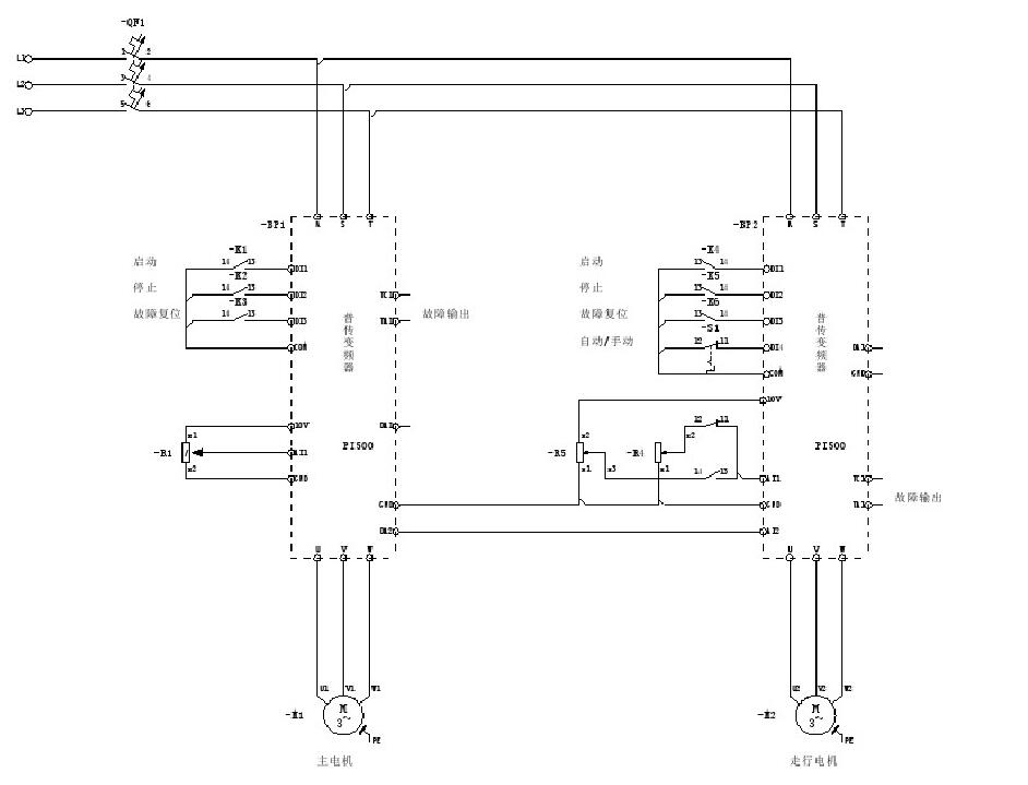
傳統繩鋸(ju)機的電(dian)氣配置(zhi)一(yi)般都是通過采集(ji)電流(liu)互(hu)感器(qi)模(mo)擬(ni)量(liang)信號來(lai)控制(zhi)主電機(ji)(ji)的(de)負(fu)荷和移動電機(ji)(ji)的(de)速度。該方式配置較繁瑣(suo),須要有專業(ye)PLC編程人員參與,導致整機(ji)(ji)成(cheng)本(ben)較高;而(er)且(qie)電流(liu)互(hu)感器(qi)和模(mo)擬(ni)量(liang)輸(shu)(shu)入輸(shu)(shu)出(chu)模(mo)塊在(zai)礦山水、粉塵等惡(e)劣(lie)環境下(xia)易損壞。采用PI500變(bian)頻器(qi)的(de)控制(zhi)系統,省略(lve)了PLC和電流(liu)互(hu)感器(qi),同(tong)樣達到了繩(sheng)鋸機(ji)(ji)的(de)工藝要求(qiu),降低(di)了成(cheng)本(ben)。以下(xia)以主機(ji)(ji)45KW、行走1.5KW為例(li):
主電(dian)機額(e)定(ding)功率:45KW,額(e)定(ding)電(dian)壓:380V,額(e)定(ding)轉速(su):740r/min,額(e)定(ding)電(dian)流95A,額(e)定(ding)頻率50HZ
移動電機額定功率:1.5KW,額定電壓380V,額定電流3.5A,額定轉速1440r/min,額定頻率50HZ
主變頻:PI500 045G3 移(yi)動電機變頻:PI500 1R5G3
2.控制方案及優點:
繩(sheng)鋸機控(kong)制系統(tong)中,主電(dian)機的(de)負(fu)荷(he)和鋸繩(sheng)的(de)張緊度是兩個控(kong)制指標,能否合(he)理利用電(dian)機輸出功率是保證最大切割(ge)效率的(de)關鍵(jian)。
1)控制方案
主(zhu)電(dian)機(ji)(ji)(ji)變頻(pin)器(qi)(qi)(qi)(qi)(qi)的頻(pin)率通(tong)過外(wai)部電(dian)位器(qi)(qi)(qi)(qi)(qi)調(diao)節,移動電(dian)機(ji)(ji)(ji)變頻(pin)器(qi)(qi)(qi)(qi)(qi)的頻(pin)率通(tong)過AI1-AI2調(diao)節,其中AI1為外(wai)部電(dian)位器(qi)(qi)(qi)(qi)(qi)給(gei)定,AI2為主(zhu)電(dian)機(ji)(ji)(ji)實(shi)際運行電(dian)流經(jing)主(zhu)變頻(pin)器(qi)(qi)(qi)(qi)(qi)模擬(ni)量輸出口DA2輸出給(gei)移動電(dian)機(ji)(ji)(ji)變頻(pin)器(qi)(qi)(qi)(qi)(qi),移動電(dian)機(ji)(ji)(ji)變頻(pin)器(qi)(qi)(qi)(qi)(qi)將這兩(liang)個(ge)信號疊加處理,可以實(shi)時的根據主(zhu)機(ji)(ji)(ji)電(dian)流變化調(diao)整轉速,以保(bao)證(zheng)主(zhu)機(ji)(ji)(ji)電(dian)流相對(dui)穩定。

2)方案優點:
利用多功能(neng)模(mo)擬量輸出可(ke)以直接監視電(dian)(dian)機運(yun)行(xing)電(dian)(dian)流(liu),監視主機負荷.無須另加(jia)電(dian)(dian)流(liu)互感器(qi)、PLC,降低系統成本。具有(you)靈活的(de)(de)頻(pin)(pin)率(lv)(lv)源疊加(jia)方(fang)式,輔助頻(pin)(pin)率(lv)(lv)源可(ke)以相(xiang)對(dui)主頻(pin)(pin)率(lv)(lv)源或最(zui)大頻(pin)(pin)率(lv)(lv)調整(zheng);載波(bo)頻(pin)(pin)率(lv)(lv)調節范圍寬,降低了(le)電(dian)(dian)機噪音,改善(shan)了(le)工人的(de)(de)工作環境。電(dian)(dian)路板上采用石材專(zhuan)用石磨工藝(yi)處理,有(you)強效的(de)(de)防(fang)潮防(fang)腐能(neng)力,使變(bian)頻(pin)(pin)器(qi)在礦山潮濕、粉塵多的(de)(de)惡劣環境下(xia)仍能(neng)穩定運(yun)行(xing)。負載控制平(ping)穩,精確(que), 能(neng)根據切(qie)割面的(de)(de)變(bian)化,及時調整(zheng)移動速度(du),系統波(bo)動小。
四、小結
普傳PI500系(xi)列(lie)變頻器(qi)(qi),在原有(you)繩(sheng)鋸機控制系(xi)統(tong)基礎上,省略(lve)了電流互感器(qi)(qi)和(he)PLC,不但節(jie)省系(xi)統(tong)成本,且(qie)低(di)頻扭矩大,能夠根據切割面(mian)的變化,及(ji)時調整(zheng)移動速度,減小系(xi)統(tong)波動,增強系(xi)統(tong)控制穩定性,完全可以(yi)滿足現場工況要求,值得大力推廣。